供热工程设计方案的选择与比较
在供热工程设计中,设计方案的确定是一项重要的、且影响全局的工作,供热系统设计方案涉及到:能源合理利用和运行管理;能源、外网和热用户三个方面。 供热系统设计方案的确定:应根据现行国家能源政策、有关规程规范,全面考虑热源、热网和热用户三个方面,经过技术经济比较综合分析后加以确定。
1.设计方案比较
以图5-5所示的两个小区供热方案为例,讨论A、B小区供热方案,即热网加热器和热网循环水泵的组合配套问题。
图5-5供热区域A、B示意图
在A、B小区域各有二级热网向热用户供热,有三个供热方案。
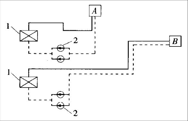
⑴方案一:采用两套热网 如图5-6所示,对A、B两个区域采用两套热网加热系统分别供热。 优点:供热系统互不干扰,可采用不同的定压方式,不同的定压点压力,不同的供、回水温度。
图5-6 供热方案一 1—热网加热器;2—热网循环水泵
⑵方案二:采用一套热网 如图5-7所示,循环泵扬程按最远的B区选择,对距热源较近的A区进行节流。 优点:系统最为简单。
图5-7 供热方案二 1—热网加热器;2—热网循环水泵
⑶方案三:采用一套热网设中继站 如图5-8所示。 优点:合理、节能。 适用条件:特别适合于A区的流量明显大于B区流量,和A、B两区之间距离L2较大的情况。
图5-8供热方案三 1—热网加热器;2—热网循环泵;3—中继泵
上述三个方案是工程中常见的并有可能采用的实际方案,具体评价哪个方案优哪个方案劣,需要根据实际情况来比较。 可比较的因素有: 技术因素:A区和B区的流量;两区到热源的距离,地形高差等。 经济因素:初投资、运行费用。 最佳方案:首先是“在技术上是可行的,在经济上是合理的”,从中选出最佳方案。
2.网路系统的划分
在工程设计中,首先是要在技术上可行,然后才能进行经济比较。因此,系统划分是确定方案经常遇到的问题。 以图5-5作为例,假定在热电厂内设置一套热网加热器、一套热网循环泵,供热管道有两种不同的布置方案。 ⑴方案一:四管制 在热源处设分水器、集水器,分别向A区和B区供热,热源出口处共有四根管道,如图5-9所示。 优点:可在热源处集中控制A、B区的供热时间和调节流量。 缺点:管道多。
图5-9 方案一及水压图 1—热网加热器;2—热网循环水泵 3—分水器;4—集水器
⑵方案二:两管制 在热源处不设置分水器、集水器,热源出口仅有供回水两根管,如图5-10所示。 优点:管道材料少。 缺点:调节控制不灵活。 图5-10 方案二及水压图 1—热闷加热器;2—热网循环水泵
⑶两个方案的水压图也不同 在方案一,距离热源较近的A区可在热源内部的分水器、集水器的阀门上节流; 在方案二,则在热网分支处(或在A区热力站入口处)节流。
更多网友评论 » |
会员评论
图5-5供热区域A、B示意图
图5-6 供热方案一 1—热网加热器;2—热网循环水泵
图5-7 供热方案二 1—热网加热器;2—热网循环水泵
图5-8供热方案三 1—热网加热器;2—热网循环泵;3—中继泵
图5-9 方案一及水压图 1—热网加热器;2—热网循环水泵 3—分水器;4—集水器
图5-10 方案二及水压图 1—热闷加热器;2—热网循环水泵



