建筑时空 首页 建筑论文 建筑管理 查看内容

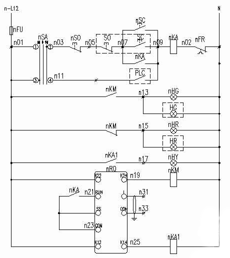
大电流热继电器保护原理图

2013-10-31 14:40| 发布者: ccbuild| 查看: 103| 评论: 0

摘要:   导语:下图为大电流热继电器保护原理图的缩略图,希望可以为大家做一个参考。 责任编辑:玛门

  导语:下图为大电流热继电器保护原理图的缩略图,希望可以为大家做一个参考。

责任编辑:玛门

鲜花

握手

雷人

路过

鸡蛋

相关阅读

返回顶部