轮式起重机无动作的排查
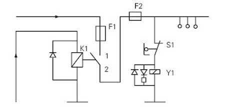
一台德国森尼波根产633M型轮式起重机,在一次施工中,启动机器扳动操作手柄后,却没有任何动作,无法作业。该机的电路如附图所示。
由附图知,当扳动点火开关至通电位置时,蓄电池的电流点经火开关至继电器K1,K1线圈得电,其常开触点1、2闭合,此时由蓄电池直接过来的另一电流通过25 A主保险F1流过K1的闭合触点1、2,再通过10 A保险F2,流向全机动作的控制系统。 通过检查发现继电器K1和主保险F1均工作正常,而保险F2已经烧损,因此,初步认为由于F2烧损,电流无法流至控制系统,而导致全机无动作,因此更换F2保险。再一次扳动点火开关至通电位后,发现F2又马上烧损,显然F2所控制的线路肯定有短路现象,因此有必要检查F2以后的线路。通过对图纸研究,发现F2控制着所有的动作,而且其后面再没有任何其他保险,所以其控制的线路或元件有任何一处短路,都会导致F2烧损。 F2后面所控制的线路足有10条,由于其线路上插头多、分线多,不便一一测量,因此决定采用排除法。即先断掉5条线路,插上保险后,观察其是否仍有烧损现象。如果还烧损,证明未断掉的那5条线路有问题;如果不烧损,则是断掉的那5条线路有问题。结果当断掉其中的5条线后,发现F2没有烧,证明问题出在断掉的那5条线上。逐一将那5条线接上,当接到第4条时,保险F2又烧了,说明第4条线有问题。为了排除第5条线,换了保险,又试了第5条线,结果没有烧,因此可以断定就是第4条线有问题。 第4条线控制着吊钩下降电磁阀Y1和下降限位开关S1。S1的工作原理是保证在卷扬滚筒上要有至少3圈钢丝绳,即在正常工作时, S1的压轮压在钢丝绳上,由于钢丝绳给该压轮一个反力,此时S1处于闭合导通位置,起重机可以进行正常的降钩作业。如果钢丝绳下降过多,卷筒上的钢丝绳圈数少于3圈,该开关S1的压轮就压不到钢丝绳,因此不能得到反力,S1即会自动断开,导致下降电磁阀Y1不通电,而没有降钩动作,这样就起到一个保护的作用。 通过检查,发现恰恰是限位开关S1内部线路有一处绝缘皮破损,导致线路搭铁,而造成保险F2的短路。经过对该处线路的绝缘处理后,该机恢复了正常。 |





